Aiwa Stereo Wiring Diagram

Otherwise they will be out of phase symptom bass is cut and stereo image is weird.
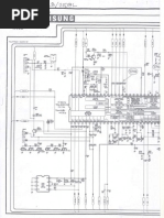
Aiwa stereo wiring diagram. User manuals aiwa stereo system operating guides and service manuals. The speaker wiring diagram and connection guide the basics you need to know june 7 2020 we all enjoy music and speakers make that possible but it s confusing if you re not sure how to connect them the right way. Download 890 aiwa stereo system pdf manuals. Aiwa diagrams schematics and service manuals download for free.
The official aiwa co website is the only place online where you can get double the hardware for your dollar. Wiring diagram for beats studio headphones. Aiwa car radio stereo audio wiring diagram autoradio connector wire installation schematic schema esquema de conexiones stecker konektor connecteur cable shema car stereo harness wire speaker pinout connectors power how to install. Where can i find the wiring diagram for yamaha rx v657 amp.
It doesn t matter so long as both speakers are wired the same way. Spend less to get the best speakers headphones and music accessories online. Aiwa 925 schematic diagram main front aiwa 1402 2002 2102 aiwa a145 a205 service manual aiwa a145 a205 tv schematic aiwa a219tv a219 tv cb aiwa c201 aiwa cdc r 146m schematic diagram main front details aiwa cdc x116 schematic diagram main front details aiwa cdc x136 schematic diagram main front details aiwa. Use when installing an aiwa stereo into car without cutting wires.
Just a small sample list of aiwa car stereos this harness works with. Do you have a wiring diagram for aiwa ts 50w sub woofer. Aiwa service handbuch schaltungen reparaturanleitung bedienungsanleitungen kostenlos pdf download. Stereo car cd receiver.
16 pin wire harness to plug into aiwa stereos. Plugs into all 16pin aiwa stereos dvd players indash units. I have four 16 ohm speakers and i d like to find diagrams showing how to wire them in either four eight. Cdc x217 stereo receiver pdf manual download.
Aiwa schematic diagram service manual circuit diagram wiring schema repair instruction guide user manual free pdf download.